Описание комплектации: Хром
Смеситель с электронным управлением AM.PM Inspire V2.0 F50A02400 выполнен в динамичном футуристичном дизайне.
- Управление TouchReel: поток и температура воды настраиваются легким нажатием и поворотом контроллера. LED-подсветка меняет свой цвет в зависимости от температуры воды, обеспечивая дополнительный комфорт и максимальное удобство при использовании.
- Тонкая настройка: полный оборот контроллера меняет температуру воды на 8 градусов.
- Встроенный режим термодезинфекции предназначен для очистки внутренних частей смесителя: рекомендовано после длительного перерыва в использовании.
- Материал: латунь с гладким глянцевым покрытием цвета хром.
- Аэратор с регулируемым наклоном для регулировки угла подачи воды и минимализации брызг.
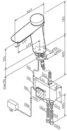
- Монтаж на одно отверстие, стандарт подводки G 3/8.
В комплекте поставки: смеситель.




