ЦветБелый
БрендGeberit
Управлениемеханическое
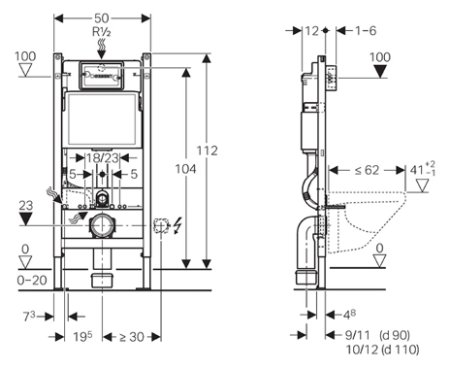
Монтажная высота, см112
Монтажная глубина, см12
Гарантийный срок10 лет
Страна брендаШвейцария
Режим слива водыодна кнопка (функция СТОП при повторном нажатии)
Объем смывн. бачка, л4/6
Подвод водысзади бачка
Глубина, см12 м
КоллекцияDuofix
Материалконструкционная сталь
МодельUP100 111.153.00.1
Назначениедля унитаза
Область применениябытовая
Ширина, см50 м
Типмонтажная рама
Высота, см112 м




