Цветсиний
БрендGeberit
УправлениеПневматическое
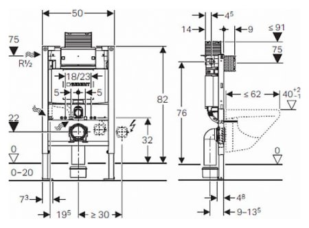
Монтажная высота, см82
Монтажная глубина, см12
Гарантийный срок10 лет
Страна брендаШвейцария
Режим слива водыдве кнопки (режим эконом)
Объем смывн. бачка, л4.5/7.5
Подвод водысверху бачка
Глубина, см13.5 м
КоллекцияOmega 12
Материалконструкционная сталь
МодельOmega 12 111.003.00.1
Назначениедля унитаза
Область применениябытовая
Оснащениекрепления
Ширина, см50 м
Типмонтажная рама
Высота, см82 м




