Цветчерный
БрендGeberit
Управлениемеханическое
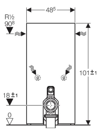
Монтажная высота, см101
Монтажная глубина, см10.6
Гарантийный срок10 лет
Страна брендаШвейцария
Режим слива водыдве кнопки (режим эконом)
Объем смывн. бачка, л3/6
Подвод водыснизу бачка
Габариты48,5x10,6x101
Глубина, см10.6 м
КоллекцияMonolith
Материалконструкционная сталь
МодельMonolith Premium 131.001.SJ.1
Назначениедля унитаза
Область применениябытовая
Ширина, см48.5 м
Типмонтажная рама
Высота, см101 м




