ЦветБелый
БрендGeberit
Управлениемеханическое
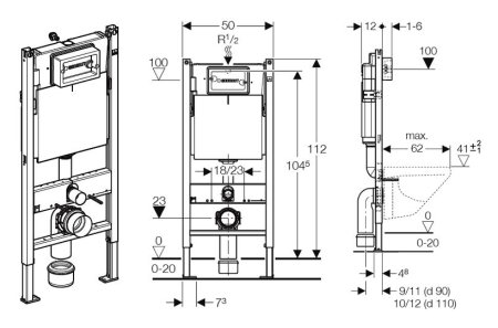
Монтажная высота, см112
Монтажная глубина, см12
Гарантийный срок10 лет
Страна брендаШвейцария
Режим слива водыодна кнопка (полный слив)
Объем смывн. бачка, л6/9
Подвод водысверху бачка
Глубина, см12 м
КоллекцияDuofix
Материалконструкционная сталь
МодельDuofix UP182 458.160.00.1
Назначениедля унитаза
Область применениябытовая
Ширина, см50 м
Типмонтажная рама
Высота, см112 м




